测量仪器
测力计
气动卡盘
硬度计
高精度气缸
测厚仪
水分检测仪
扭矩测试仪
转速计
张力计
频闪仪
传感器
加速度传感器
扭矩传感器
振动传感器
压力传感器
称重传感器
仪表
放大器
称重变送器
模拟器
称重仪表
接线盒
振动变送器
品牌
联系我们
🔍
✖
网站
关于我们
产品详情
首页
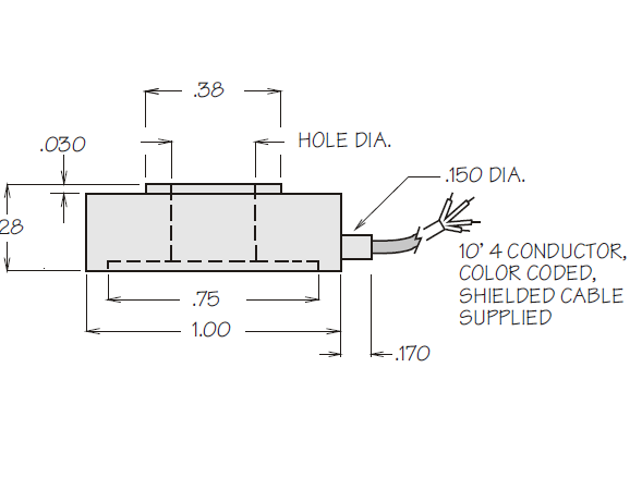
称重传感器
THA 称重传感器
THA 称重传感器
提交产品意向单
品牌:Transducer Techniques
附件下载
download attachment
产品详情
参数表
热门产品
HS-660 重量变送器
DI-50W 数字式仪表
MP30 称重仪表
PR6251圆饼式称重传感器
THA 称重传感器-意向单
联系人
联系电话
备注